|
|
Руководство пользователя QCad![]()
Эта глава является введением в основные концепции CAD-систем. Если вы привыкли работать с CAD-системами, вы, возможно, захотите пропустить эту главу. Пожалуйста, заметьте, что концепты, указанные в этой главе, все затем подробно объясняются.
Примитивы – это графические объекты в системе CAD. Типичные примитивы, которые поддерживаются большинством CAD-систем - это точки, линии и круглые и эллиптические дуги. Более комплексные и специфичные для CAD примитивы – это полилинии, тексты, размеры, штриховки и сплайны.
Каждый примитив содержит определённые атрибуты, такие, как их цвет, тип линии и ширина линии.
Основная концепция вычерчивания с помощью компьютера – это использование слоёв для организации и структурирования чертежа. Каждый примитив чертежа находится только на одном слое, и каждый слой может содержать любое количество примитивов. Обычно, все примитивы с общей "функцией"'function' или с общими свойствами созданы на одном и том же слое. Каждый слой имеет свойства (цвет, ширина линии, стиль линии) и примитивы слоя обычно получают свои свойства от слоя, на котором они расположены.
Figure 1 показывает пример чертежа со слоями. Все размеры чертежа расположены на слое, названном 'dimensions' ("размеры"). Цвет всех примитивов этого слоя 'dimension' определён слоем и легко может быть изменён. Чертёж также может быть показан без каких-либо размеров при сокрытия слоя 'dimensions', на котором они находятся.
Исторически при ручном вычерчивании использовалось упрощение чертежа. Различные строительные системы, такие, как кабели и кондиционирование воздуха, были обычно нарисованы на отдельном прозрачном листе бумаги. Эти листы затем накладывались на другие для получения окончательного чертежа.

Figure 1: Пример чертежа со слоями.
Блок - это именованная группа примитивов. Блоки могут быть вставлены в один и тот же чертёж более одного раза в разные места, с различными атрибутами, масштабом и под различными углами, Figure 2. Такие вводы блока обычно называют "вставками" 'inserts'. Вставки, так же как и другие примитивы, имеют свойства. Примитив, являющийся частью вставки, может иметь свои собственные свойства, принимая их от слоя, на котором он расположен, или от вставки, частью которой он является. Однажды созданные, вставки зависят от блока, который они представляют. Удобство использования вставок в том, что вы можете отредактировать блок - и все вставки, представляющие этот блок, будутизменены.

Figure 2: Три вставки блока с различными свойствами, углами и масштабными факторами.
Во многом CAD похож на традиционное черчение. Когда вы вычерчиваете план или вид объекта на бумаге, вы используете такие инструменты, как линейка для вычерчивания линий. CAD-системы предлагают множество инструментов для достижения той же цели. Большое преимущество CAD-системы в том, что вы легко можете изменить любой примитив вашего чертежа. Это может быть одной из наиболее сложных вещей при переходе с бумаги на CAD. Когда вы работаете с CAD-системой, вы будете очень часто создавать линии, которые не останутся затем неизменёнными, или которые не имеют корректной длины и нуждаются в последующем редактировании (смотрите Figure 3. Общая ошибка начинающих пользователей CAD состоит в том, что они желают создать окончательный чертёж сразу. Никогда не колеблитесь при создании осевых конструкций, если это поможет вам определить или проверить часть вашего чертежа.

Figure 3: Три возможных шага быстро создать чертёж используя вспомогательные конструкции и возможность CAD-системы изменять существующие примитивы.
Хорошее понимание того, как большинство общих координатных систем работает - абсолютно необходимо, если вы хотите использовать любую CAD-программу по максимуму. Если вы не знакомы с координатами, рекомендуется уделить некоторое время на изучение этого фундаментального аспекта.
Начало (или начальная точка) чертежа - это точка, в которой оси X и Y пересекают одна другую. Это также точка абсолютного нуля в чертеже.
В дополнение к абсолютной нулевой точке в QCad существует относительная нулевая точка. Относительная нулевая точка может быть перемещена в любое положение как временная ссылка для локальной конструкции (как временная нулевая точка).
Декартова система координат - это стандартная координатная система, которая обычно используется когда другой координатной системы не указано. В декартовой системе координат позиция точки может быть описана расстоянием от двух осей, X и Y ("икс" и "игрек"). Декартовы координаты обычно записываются в формате:
x-ordinate,y-ordinate
Например, координата 3.5,7 расположена в 3.5 единицах вправо и в 7 единицах вверх от начала координат (от нуля).

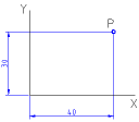
Figure 4: Абсолютная декартова координата 40,30.
Декартовы координаты могут также ссылаться на место, отличное от начала координат. В этом случае мы говорим об "относительных координатах" 'relative coordinates'. Не существует стандартной формы записи для относительных декартовых координат, но в QCad они записываются в формате:
@x-ordinate,y-ordinate

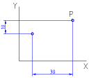
Figure 5: Относительная декартова координата @30,10.
Полярные координаты используют расстояние и угол, чтобы указывать положение точки. Угол 0 всегда указывает направо на вашем экране (восток). В QCad полярные координаты записываются в формате "расстояние<угол":
distance<angle

Figure 6: Абсолютная полярная координата 50<37.
Так же, как и в Декартовой системе координат, полярные координаты могут также указывать положение, отсчитываемое не от начала системы координат. В QCad относительные полярные координаты записываются в формате "@расстояние<угол":
@distance<angle

Figure 7: Относительная полярная координата @31.6<18.4
Когда бы вам не нужно было указать координату в QCad, вы можете использовать функции привязки. Они позволяют вам точно выбирать точки сетки или важные точки на существующем чертеже, такие, как конечные точки, середины отрезков, центры или пересечения примитивов.
Перед удалением, копированием или изменением примитива, его необходимо выбрать. Выбор примитива - одна из базовых операций в CAD. Однако, выбор правильных примитивов для последующих операций - не всегда тривиальная операция. QCad предлагает широкое разнообразие инструментов для выбора групп примитивов, примитивов из группы элементов, соединённых примитивов и т.д.
Удаление примитива означает удаление его из файла чертежа. В QCad всё, связанное с удалением примитивов, сгруппировано с опциями Редактирования.
Существующие примитивы могут быть изменены различным образом. Базовое редактирование включает перемещение, поворот, отражение и масштабирование. Эти операции не затрагивают геометрию изменяемых примитивов. Другое редактирование изменяет примитив более основательно (например, удаление с копированием, удлинение или растягивание линии).
В отличие от ручного вычерчивания, в CAD нет необходимости определять вначале размер листа и необходимый масштаб чертежа. Нет необходимости в масштабе при вычерчивании: все размеры и расстояния указываются в их полном масштабе. Объект размером в 10 метров рисуется как 10-метровый объект. Только при печати необходимо указывать масштаб, чтобы вместить чертёж на бумагу. Начерченная модель сама по себе никак не изменяется и сохраняется в оригинальном масштабе 1:1.
На экране, пользователь может просматривать часть чертежа, увеличивая его, чтобы рассмотреть больше деталей, или уменьшая его, чтобы охватить взглядом чертеж целиком. Другая важная операция в CAD – это панорамирование. Чтобы увидеть другую часть чертежа без изменения масштаба, пользователь "подтягивает" её в видимую часть экрана.
|
|